GB/T12459-2025国标《钢制对焊管件 类型与参数》
GB/T 12459-2025《钢制对焊管件类型与参数》规范是替代GB/T 12459-2017版的,最新钢制对焊管件标准;
新版标准的更新涵盖了多个关键方面的变动。这些更新旨在进一步提升管件产品的质量与性能,以适应不断发展的工业需求。
本文件代替GB/T 12459- -2017《 锻制对焊管件类型与 参数》。与GB/T 12459- -2017相比,除编
辑性改动外,主要技术变化如下:
a) 增加了对管件关键部位说明(见5.2. 2);
b) 增加了采用GB/T 28708 的说明(见6. 1. 2);
c) 更改了标准尺寸的内容,增加了部分品种的尺寸(见6. 1,2017年版的5.1);
d)增加了管件通流面积的规定(见6.2.1);
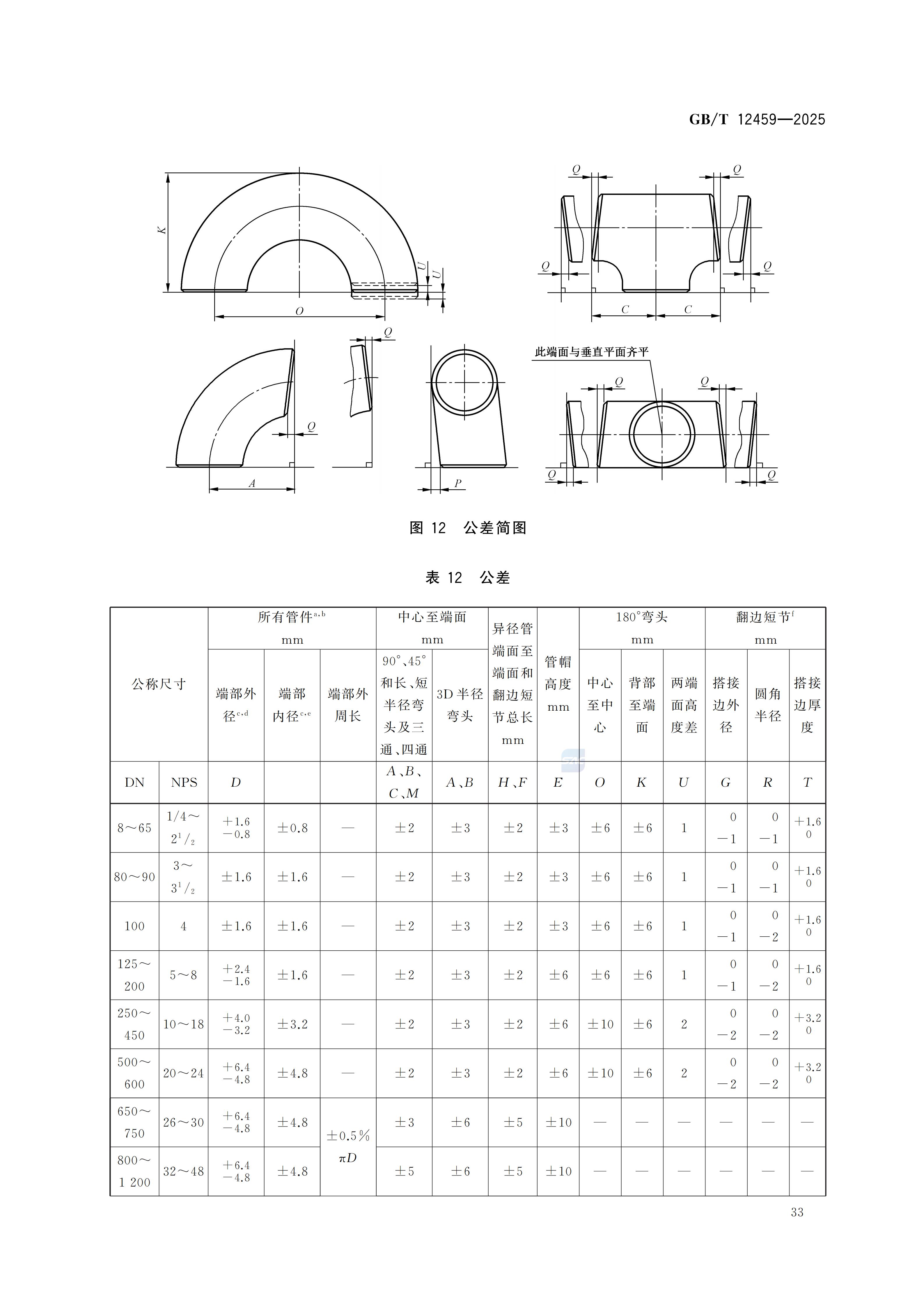
e) 增加了壁厚公差的内容和新增规格的公差,将形位公差另表单列(见第9章);
f) 更改了例外标志的内容(见10.4,2017年版的9.4);
g) 更改了设计验证试验的内容,增加了对关键部位的要求和对不同基本形状、不同制造方法以及
不同材料类别管件的试验规定(见附录A,2017 年版的附录A);
h) 更改了管件设计计算的内容,增加了异径三通和四通肩部最小壁厚的规定(见附录B,2017年
版的附录B)。
1、范围
本文件规定了DN 8~ DN 3400(NPS 1/4~NPS 136)钢制对焊管件的类型与代号、管件的压力设计、管件尺寸、表面轮廓、端部坡口、公差、标志和产品质量合格证明书等要求。
本文件适用于钢制对焊无缝和焊接管件,其他金属材料制造的对焊管件参照使用。
2、标准尺寸
1.1 管件的公称尺寸用DN或NPS表示。两者之间的关系见管件尺寸表中的“公称尺寸”栏。
1.2 管件的公称尺寸、端部外径和公称壁厚应符合GB/T 28708和附录B的规定。管件端部外径分为I、II两个系列,管件各尺寸表中所列外径为通用的I系列外径,属推荐选用系列; II系列外径为非通用系列,当选用II系列时应注明“-II”;标准更偏向于国际化接轨,跟ASME B16.9标准更接近。
3、标准管件选择及设计验证试验
管件设计
1.管件的设计应保证管件与其连接的相同规格、相同材质和壁厚的无缝直管具有同等的承受内压的能力。
2. 按本文件生产的管件,应按以下方法进行设计。
a) 按附录A的规定进行设计验证试验,并由此设计管件关键部位的壁厚。关键部位通常为弯头的内弧、三通和四通的肩部、管帽的转向弧和异径管的大端。必要时,应提供相应的验证试验报告及记录以供验证。试验管件的规格不宜大于DN 600(NPS 24)。
b) 根据需要,用户可要求成品管件按附录B中规定的最小璧厚供货,并在合同和产品标记上注明: GB/T 12459-B。
c) 根据需要,用户可要求管件按相应的压力管道规范给出的数学分析法或其他应力分析法进行设计,并在合同和产品标记上注明:GB/T 12459-C。为满足这一要求,制造商应提供设计图样和计算书由采购方批准。
3.制造商应保存数学分析、基本设计计算或成功的验证试验报告,以备采购方检查。
4、管件标记上的变革
10.5 标志示例
示例1:材料等级为AF12, 壁厚等级为STD,公称尺寸DN 100,外径为I系列的90°短半径无缝弯头的标志为:
制造商名称或商标AF12生产批号或原材料熔炼炉号STD DN 100 90ES GB/T 12459
示例2:材料等级为CF415K,主管公称壁厚X支管公称壁厚为14 mmX 12 mm,主管外径X支管外径为φ820X φ630,设计计算符合本文件附录B最小壁厚要求的焊接三通的标志为:
制造商名称或商标CF415K生产批号或原材料熔炼炉号14X12 φ820X φ630 WTR GB/T 12459-B
示例3:材料等级为CF485K,壁厚等级为Sch 80,公称尺寸DN 150X 100,外径为II系列的无缝同心异径管的标志为:
制造商名称或商标CF485K生产批号或原材料熔炼炉号Sch 80 DN 150X100-I RE GB/T 12459
示例4:材料等级为SF304/SF304L,壁厚等级为Sch 120,公称尺寸DN 300,外径为I系列,设计计算符合本文件附录C要求,并附加了GB/T13401规定的稳定化热处理和硫酸-硫酸铜腐蚀试验的90°长半径无缝弯头的标志为:
制造商名称或商标SF304/SF304L生产批号或原材料熔炼炉号Sch 120 DN 300 90EL GB/T 12459-C GB/T 13401










如需标准资料索取,请致电我司!