GB/T28708-2012《管道工程用无缝及焊接钢管尺寸选用规定》
GB/T28708-2012《管道工程用无缝及焊接钢管尺寸选用规定》
1 范围
本标准规定了管道工程用碳素钢、合金钢、不锈钢无缝钢管及焊接钢管的尺寸系列和理论质量。
本标准适用于管道工程流体输送用钢管的选用。
2 规范性引用文件
下列文件对于本文件的应用是必不可少的。凡是注日期的引用文件,仅注日期的版本适用于本文
件。凡是不注日期的引用文件,其最新版本(包括所有的修改单)适用于本文件。
GB/T3091 低压流体输送用焊接钢管
GB/T17395—2008 无缝钢管尺寸、外形、重量及允许偏差
GB/T21835—2008 焊接钢管尺寸及单位长度重量
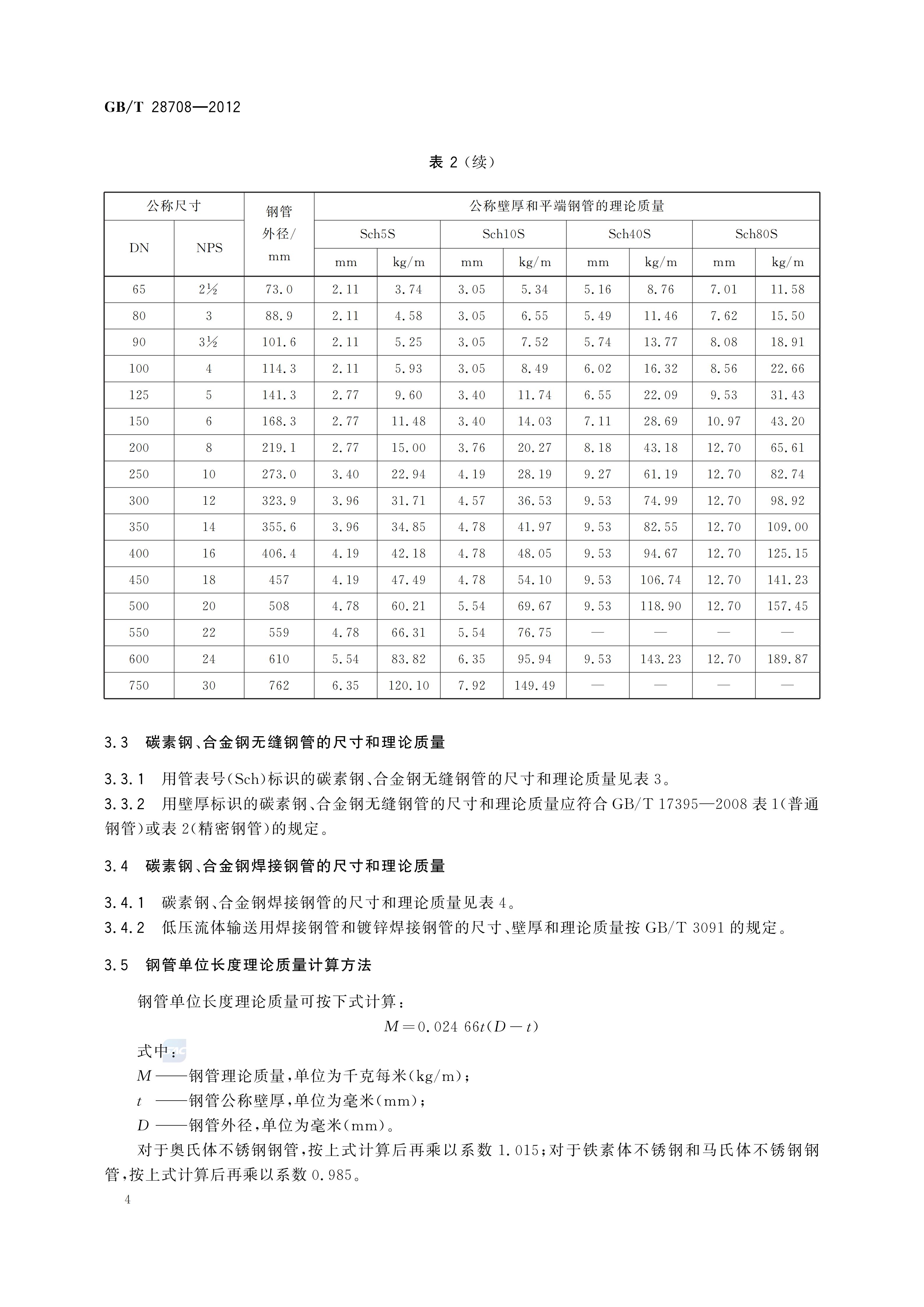
3 管子尺寸系列和理论质量
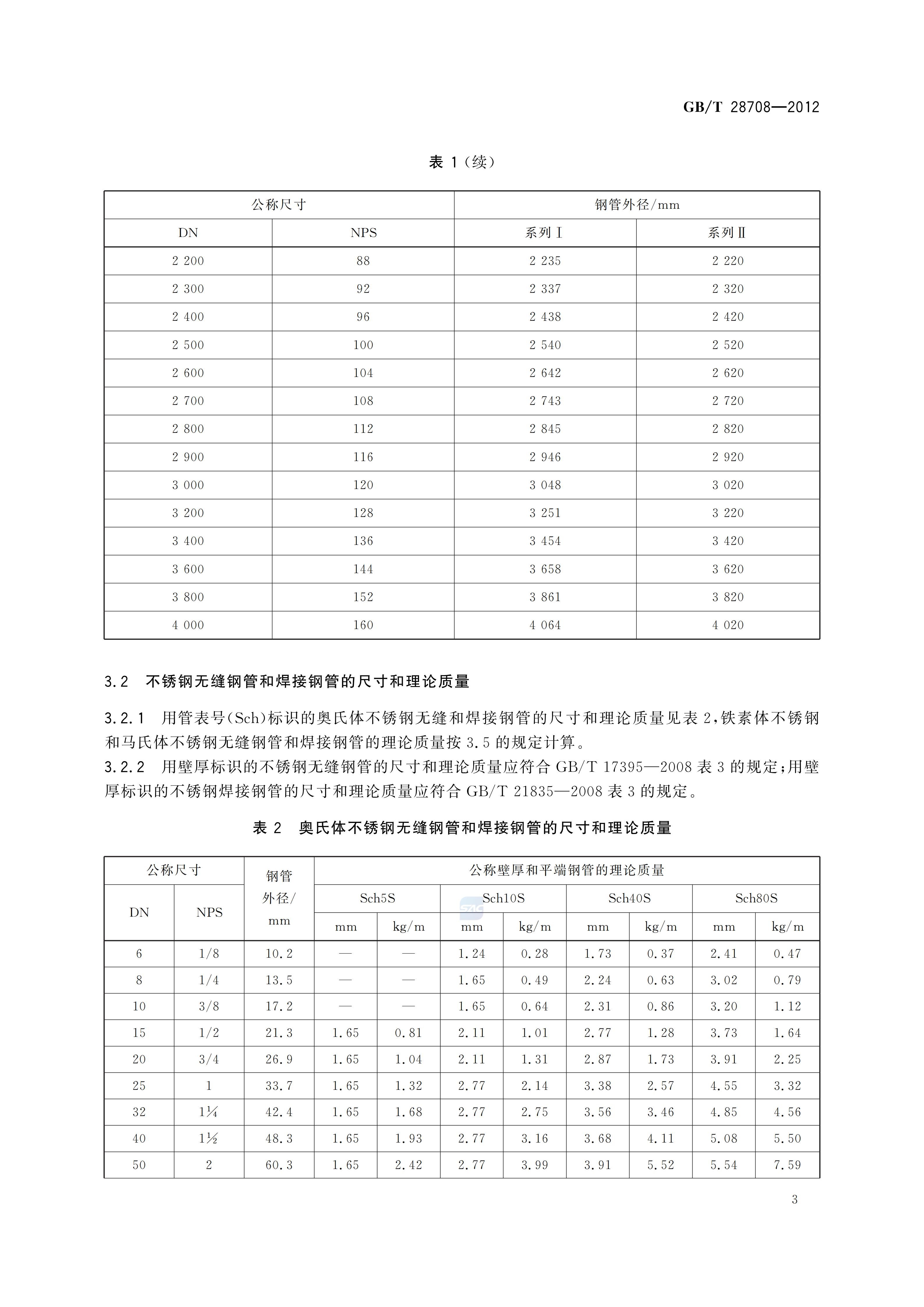
3.1 管子外径系列
管子外径分为系列Ⅰ和系列Ⅱ。系列Ⅰ是通用系列,属推荐选用系列;系列Ⅱ是非通用系列;钢管的公称尺寸和外径见表1。









